cables+box
no more need to buy separate cables!!!!
now available universal mbus/fbus cable
รวม cables สำหรับคุณใช้กับมือถือ เกือบทุกรุ่น MBUS/FBUS และBOX สำหรับต่อเชื่อมใช้ได้กับมือถือหลายรุ่น สามารถ Interface สำหรับ UNLOCK ,EEPROM LOADER,LOADER..Interface RS232 กับ PC

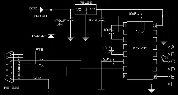
ตัวอย่างการต่อเชื่อม Interface มือถือ
stand alone model + software

วงจรตัวอย่างสามารถนำไปใช้งานกับ Cables ทุกรุ่นได้
ราคา Cables
วงจรตัวอย่างประกอบสำเร็จ+Software ราคา 950 บาท
แบบชุด Cables Interface กับมือถือ ทุกรุ่น ราคาเส้นละ 200 บาท
ติดต่อสั่งซื้อ hello_20@hotmail.com